玉岡歯科・矯正歯科

厚労省の定める『口腔管理体制強化』『医療安全対策・感染対策』『在宅療養支援歯科診療所』などの施設基準をクリアしています。

Red

HOME たまてばこブログ ≫ 位相差顕微鏡 ≫

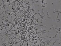
位相差顕微鏡

位相差
当院は位相差顕微鏡を設置しています。これは歯周ポケットの中から取ったプラークの中の歯周病菌を、生きた状態で観察できる顕微鏡です。うごめく細菌を見れば口腔ケアにじっくり時間をかけたくなりますね。2026年6月から保険適用になります。
2026年03月31日 22:25
玉岡歯科医院 〒673-0431
兵庫県三木市本町2-6-18
0794-82-9002 [診療時間]
09:00~12:30
14:00~18:30
[休診日]
木・日・祝日、土曜午後

モバイルサイト

玉岡歯科・矯正歯科スマホサイトQRコード

スマートフォンからのアクセスはこちら